Remington Model 12
| Shown here is the standard model 12 with octagon barrel |
|
|
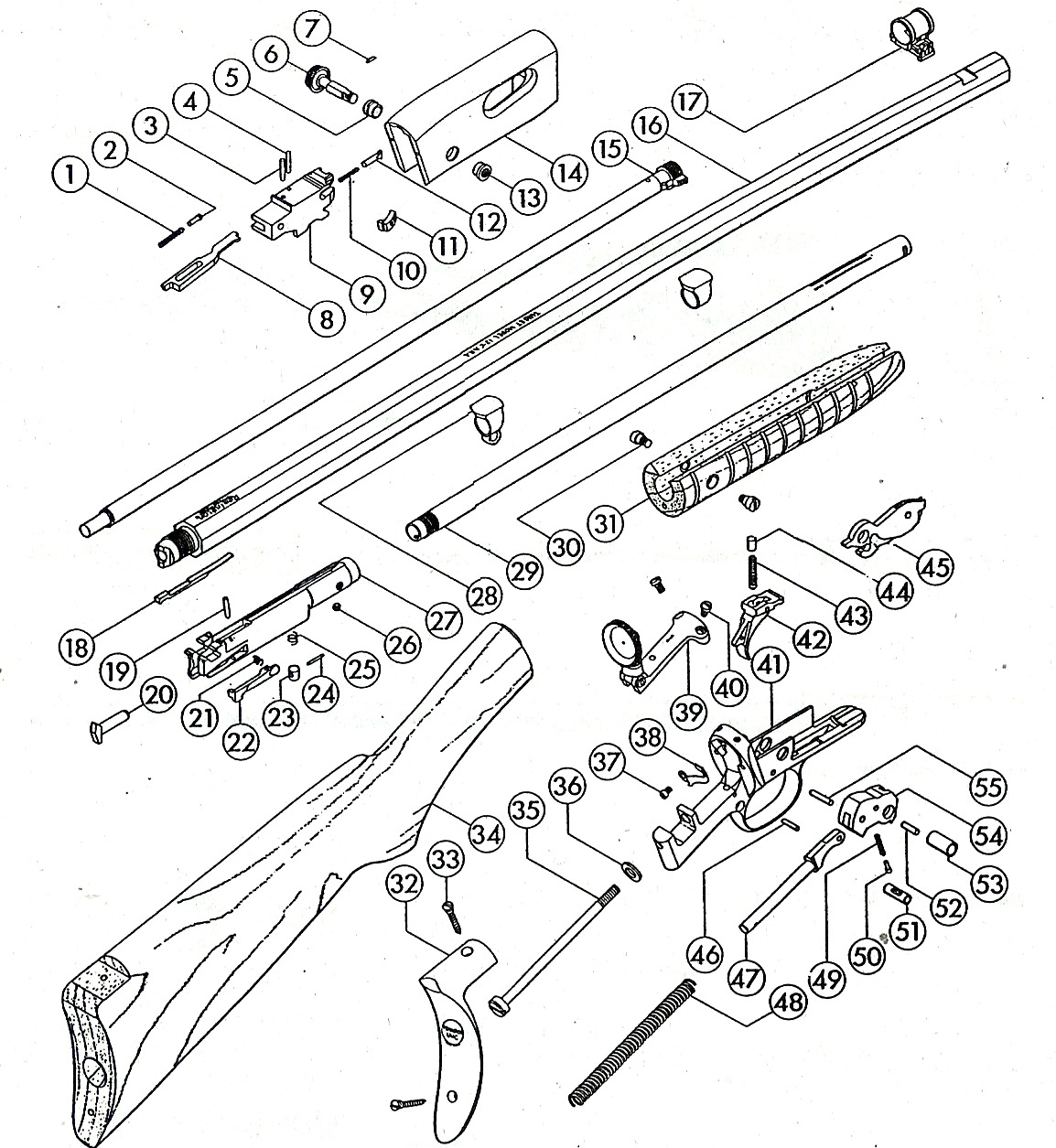
The illustration shown below was taken from the NRA Firearms Assembly book and their part numbers converted below to reflect factory part numbers. This is important as about all obsolete parts suppliers use ONLY factory or closely associated numbers where ever possible so everyone is on the same page.
Note, for some of the older firearms, many
over 100 years old, the factories never used what we now know as assembly
drawings, but just views of many of the component parts & possibly randomly
placed
|
The parts listed below are for your
identification purposes only. The author of this website DOES NOT have any parts. |

The Above illustration taken from NRA Firearms Assembly
book, & shows the peep sighted target version,
the standard model would
not have the target sights nor sling swivel stud on the magazine ring
Carriers were made in about 6 different configurations depending on vintage and
caliber
The BLACK part number listed below is the actual Remington number
|
Ref. |
Part Number |
Nomenclature |
Ref. |
Part Number |
Nomenclature |
| 1 | 22 | Firing Pin Spring | 29 | 44 Rd | Magazine tube, outer, (Round Barrel) |
| 2 | 23 | Firing Pin Spring Guide | 29 | 44 Oct | Magazine tube, outer, (Octagon Barrel) |
| 3 | 21 | Firing Pin Pin | 30 | 27 | Forearm Screw, Plain, series 1909 (Shown) |
| 4 | 21 | Ejector Pin | 30 | 27-S | Forearm Screw, Scalloped |
| 5 | 53 | Receiver Bushing, Plain | . | 112 | Forearm Screw Lock Screw (fits 27-S) |
| 6 | 66 | Takedown Screw | 31 | 24 | Forearm |
| 7 | 85 | Takedown Screw Retainer | 32 | 8 | Buttplate |
| 8 | 220 | Firing Pin, (series 1909) | 33 | 17810W | Buttplate screw |
| 9 | 407 | Breech Bolt, 22 RF | 34 | 62 | Buttstock, Regular Straight Grip Version |
| 10 | 19 | Extractor Spring | 34 | 63 | Buttstock, Gallery Pistol Grip Version |
| 11 | 217 |
Extractor |
35 | 64 | Stock Bolt |
| 12 | 18 | Extractor Plunger | 36 | 65 | Stock Bolt washer |
| 13 | 54 | Receiver Bushing, threaded | 37 | 37 | Ejector Spring Screw |
| 14 | . | Receiver | 38 | 36 | Ejector Spring |
| 15 | 42 1/2 Rd | Magazine Assembly, (22 RF round barrel) | 39 | . | Receiver Tang Sight |
| 15 | 42 1/2 Oct | Magazine Assembly, (22 RF octagon barrel) | 40 | . | Receiver Sight Screw |
| 16 | 5 | Barrel, Round | 41 | 429 | Trigger plate |
| 17 | 228 | Front Sight, Regular | 42 | 68 | Trigger |
| 17 | . | Front Sight, (Gallery, Globe) | 43 | 70 | Trigger Spring |
| 18 | 57 | Retainer, (series 1909, under s/n 650,000) | 44 | 71 | Trigger Spring Plunger |
| . | 257 | Retainer, (over s/n 650,000) | 45 | 411 | Carrier |
| 19 | 13 | Carrier Dog Pin | 46 | 60 | Safety Plunger Pin |
| 20 | 15 | Cartridge Stop | 47 | 47 | Mainspring Rod |
| 21 | 514 | Carrier Dog Spring | 48 | 46 | Mainspring |
| 22 | 212 | Carrier Dog | 49 | 61 | Safety Spring |
| 23 | 2 | Action Bar Plunger | 50 | 59 | Safety Spring Plunger |
| 24 | 3 | Action Bar Plunger Pin | 51 | 58 | Safety button |
| 25 | 4 | Action Bar Plunger Spring | 52 | 32 | Hammer Pin |
| 26 | 39 | Magazine Screw | 53 | 31 | Hammer Bushing |
| 27 | 201 | Action Bar | 54 | 430 | Hammer |
| 28 | 138 | Magazine ring | 55 | 69 | Trigger Pin |
|
|
|||||
Copyright © 2005 - 2020
LeeRoy Wisner with credit given for original illustrations. All
Rights Reserved
Back to the Main Ramblings
Page
Originated 02-05-2005 Last updated 11-08-2020
Contact the author